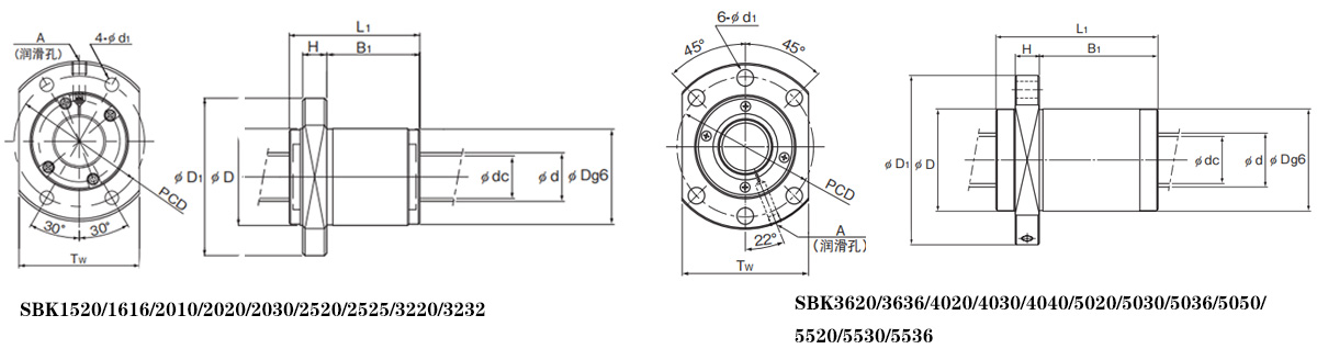
| 丝杆型号 | 轴径 | 导程 | 珠经 | 沟槽谷经 | 珠卷数 | 动负荷 | 静负荷 | 容许载荷 | 刚性 | 螺母外径 | 法兰直径D1 | 法兰直径D2 | 全长L1 | 法兰厚度 | 螺母宽度B1 | 螺母宽度B2 | 螺母宽度B3 | 螺栓圆周直径 | 螺栓尺寸 | 螺母类型 | 法兰宽度 | 螺栓尺寸N1 | 润滑孔 | 丝杆轴的惯性力矩 | 螺母重量 | 丝杆重量 | *大转速 |
|---|---|---|---|---|---|---|---|---|---|---|---|---|---|---|---|---|---|---|---|---|---|---|---|---|---|---|---|
| SBK1520-3.6 | 15.0 | 20.0 | 15.75 | 12.2 | 1×1.8 | 5.8 | 7.8 | - | 178.0 | 38.0 | 62.0 | - | 54.0 | 10.0 | 38.5 | - | - | 49.0 | - | - | M6 | 3.90×10-8 | 0.41 | 1.27 | 5000.0 | ||
| SBK1616-3.6 | 16.0 | 16.0 | 16.65 | 13.5 | 1×1.8 | 4.6 | 6.4 | - | 182.0 | 33.0 | 54.0 | - | 45.0 | 10.0 | 29.5 | - | - | 43.0 | - | - | M6 | 5.05×10-8 | 0.25 | 1.46 | 5000.0 | ||
| SBK2010-5.6 | 20.0 | 10.0 | 20.75 | 17.2 | 1×2.8 | 10.7 | 17.3 | - | 353.0 | 40.0 | 65.0 | - | 45.0 | 10.0 | 29.5 | - | - | 53.0 | - | - | M6 | 1.23×10-7 | 0.37 | 2.18 | 5000.0 | ||
| SBK2020-3.6 | 20.0 | 20.0 | 20.75 | 17.2 | 1×1.8 | 7.0 | 10.5 | - | 229.0 | 40.0 | 65.0 | - | 54.0 | 10.0 | 38.5 | - | - | 53.0 | - | - | M6 | 1.23×10-7 | 0.43 | 2.32 | 5000.0 | ||
| SBK2030-3.6 | 20.0 | 30.0 | 20.75 | 17.2 | 1×1.8 | 6.9 | 11.2 | - | 236.0 | 40.0 | 65.0 | - | 71.0 | 10.0 | 55.5 | - | - | 53.0 | - | - | M6 | 1.23×10-7 | 0.55 | 2.36 | 5000.0 | ||
| SBK2520-3.6 | 25.0 | 20.0 | 26.0 | 21.5 | 1×1.8 | 11.0 | 16.9 | - | 292.0 | 47.0 | 74.0 | - | 57.0 | 12.0 | 38.0 | - | - | 60.0 | - | - | M6 | 3.01×10-7 | 0.59 | 3.58 | 5000.0 | ||
| SBK2525-3.6 | 25.0 | 25.0 | 26.0 | 21.5 | 1×1.8 | 10.8 | 16.9 | - | 290.0 | 47.0 | 74.0 | - | 68.0 | 12.0 | 49.0 | - | - | 60.0 | - | - | M6 | 3.01×10-7 | 0.69 | 3.63 | 5000.0 | ||
| SBK3220-5.6 | 32.0 | 20.0 | 33.25 | 27.9 | 1×2.8 | 23.6 | 41.1 | - | 565.0 | 58.0 | 92.0 | - | 82.0 | 15.0 | 58.0 | - | - | 74.0 | - | - | M6 | 8.08×10-7 | 1.23 | 5.82 | 3900.0 | ||
| SBK3232-5.6 | 32.0 | 32.0 | 33.25 | 27.9 | 1×2.8 | 23.1 | 41.8 | - | 567.0 | 58.0 | 92.0 | - | 118.0 | 15.0 | 94.0 | - | - | 74.0 | - | - | M6 | 8.08×10-7 | 1.7 | 5.99 | 3900.0 | ||
| SBK3620-7.6 | 36.0 | 20.0 | 37.75 | 30.4 | 1×3.8 | 48.5 | 85.0 | - | 870.0 | 73.0 | 114.0 | - | 110.0 | 18.0 | 81.0 | - | - | 93.0 | - | - | Rc1/8 (PT1/8) | 1.29×10-6 | 3.4 | 5.0 | 4230.0 | ||
| SBK3636-5.6 | 36.0 | 36.0 | 37.75 | 31.4 | 1×2.8 | 36.6 | 64.7 | - | 460.0 | 73.0 | 114.0 | - | 134.0 | 18.0 | 105.0 | - | - | 93.0 | - | - | Rc1/8 (PT1/8) | 1.29×10-6 | 3.37 | 7.43 | 5000.0 | ||
| SBK4020-7.6 | 40.0 | 20.0 | 42.0 | 34.1 | 1×3.8 | 59.7 | 112.7 | - | 970.0 | 80.0 | 136.0 | - | 110.0 | 20.0 | 79.0 | - | - | 112.0 | - | - | Rc1/8 (PT1/8) | 1.97×10-6 | 4.5 | 5.7 | 3800.0 | ||
| SBK4030-7.6 | 40.0 | 30.0 | 42.0 | 34.1 | 1×3.8 | 59.2 | 107.5 | - | 970.0 | 80.0 | 136.0 | - | 148.0 | 20.0 | 117.0 | - | - | 112.0 | - | - | Rc1/8 (PT1/8) | 1.97×10-6 | 5.6 | 7.0 | 3800.0 | ||
| SBK4040-5.6 | 40.0 | 40.0 | 42.0 | 34.9 | 1×2.8 | 44.8 | 80.3 | - | 520.0 | 80.0 | 136.0 | - | 146.0 | 20.0 | 115.0 | - | - | 112.0 | - | - | Rc1/8 (PT1/8) | 1.97×10-6 | 4.74 | 9.16 | 5000.0 | ||
| SBK5020-7.6 | 50.0 | 20.0 | 52.0 | 44.1 | 1×3.8 | 66.8 | 141.9 | - | 1170.0 | 90.0 | 146.0 | - | 110.0 | 22.0 | 77.0 | - | - | 122.0 | - | - | Rc1/8 (PT1/8) | 4.82×10-6 | 5.3 | 10.2 | 3070.0 | ||
| SBK5030-7.6 | 50.0 | 30.0 | 52.0 | 44.1 | 1×3.8 | 66.5 | 135.0 | - | 1170.0 | 90.0 | 146.0 | - | 149.0 | 22.0 | 116.0 | - | - | 122.0 | - | - | Rc1/8 (PT1/8) | 4.82×10-6 | 6.6 | 11.9 | 3070.0 | ||
| SBK5036-7.6 | 50.0 | 36.0 | 52.0 | 44.1 | 1×3.8 | 65.9 | 135.0 | - | 1170.0 | 90.0 | 146.0 | - | 172.0 | 22.0 | 139.0 | - | - | 122.0 | - | - | Rc1/8 (PT1/8) | 4.82×10-6 | 7.4 | 12.5 | 3070.0 | ||
| SBK5050-5.6 | 50.0 | 50.0 | 52.0 | 44.9 | 1×2.8 | 50.3 | 102.4 | - | 630.0 | 90.0 | 146.0 | - | 175.0 | 22.0 | 142.0 | - | - | 122.0 | - | - | Rc1/8 (PT1/8) | 4.82×10-6 | 6.46 | 14.72 | 4030.0 | ||
| SBK5520-7.6 | 55.0 | 20.0 | 57.0 | 49.1 | 1×3.8 | 69.8 | 156.4 | - | 1250.0 | 96.0 | 152.0 | - | 110.0 | 22.0 | 77.0 | - | - | 128.0 | - | - | Rc1/8 (PT1/8) | 7.05×10-6 | 5.7 | 13.0 | 2800.0 | ||
| SBK5530-7.6 | 55.0 | 30.0 | 57.0 | 49.1 | 1×3.8 | 69.2 | 147.0 | - | 1250.0 | 96.0 | 152.0 | - | 149.0 | 22.0 | 116.0 | - | - | 128.0 | - | - | Rc1/8 (PT1/8) | 7.05×10-6 | 7.2 | 14.8 | 2800.0 |

