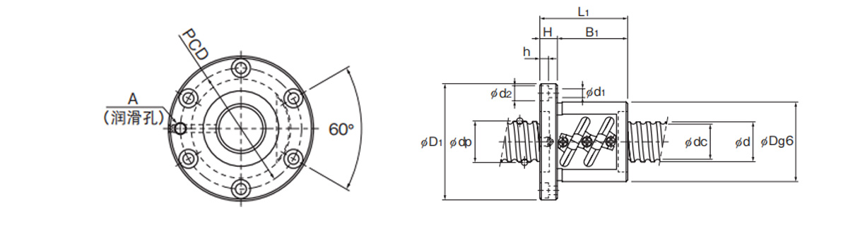
| 丝杆型号 | 轴径 | 导程 | 珠经 | 沟槽谷经 | 珠卷数 | 动负荷 | 静负荷 | 容许载荷 | 刚性 | 螺母外径 | 法兰直径D1 | 法兰直径D2 | 全长L1 | 法兰厚度 | 螺母宽度B1 | 螺母宽度B2 | 螺母宽度B3 | 螺栓圆周直径 | 螺栓尺寸 | 螺母类型 | 法兰宽度 | 螺栓尺寸N1 | 润滑孔 | 丝杆轴的惯性力矩 | 螺母重量 | 丝杆重量 | *大转速 |
|---|---|---|---|---|---|---|---|---|---|---|---|---|---|---|---|---|---|---|---|---|---|---|---|---|---|---|---|
| BNF1604V-5 | 16.0 | 4.0 | 16.5 | 13.8 | 2×2.5 | 7.8 | 17.4 | - | 290.0 | 36.0 | 59.0 | - | 53.0 | 11.0 | 42.0 | - | - | 47.0 | 5.5×9.5×5.5 | - | - | - | M6 | 5.05×10-8 | 0.42 | 1.42 | 5000.0 |
| BNF1605V-2.5 | 16.0 | 5.0 | 16.75 | 13.2 | 1×2.5 | 7.4 | 13.9 | - | 170.0 | 40.0 | 60.0 | - | 41.0 | 10.0 | 31.0 | - | - | 50.0 | 4.5×8×4.5 | - | - | - | M6 | 5.05×10-8 | 0.37 | 1.37 | 5000.0 |
| BNF1605V-5 | 16.0 | 5.0 | 16.75 | 13.2 | 2×2.5 | 13.5 | 27.9 | - | 320.0 | 40.0 | 60.0 | - | 56.0 | 10.0 | 46.0 | - | - | 50.0 | 4.5×8×4.5 | - | - | - | M6 | 5.05×10-8 | 0.49 | 1.37 | 5000.0 |
| BNF2004V-2.5 | 20.0 | 4.0 | 20.5 | 17.8 | 1×2.5 | 4.8 | 10.9 | - | 180.0 | 40.0 | 63.0 | - | 37.0 | 11.0 | 26.0 | - | - | 51.0 | 5.5×9.5×5.5 | - | - | - | M6 | 1.23×10-7 | 0.3 | 2.22 | 4870.0 |
| BNF2004V-5 | 20.0 | 4.0 | 20.5 | 17.8 | 2×2.5 | 8.6 | 21.8 | - | 350.0 | 40.0 | 63.0 | - | 49.0 | 11.0 | 38.0 | - | - | 51.0 | 5.5×9.5×5.5 | - | - | - | M6 | 1.23×10-7 | 0.49 | 2.22 | 4870.0 |
| BNF2005V-2.5 | 20.0 | 5.0 | 20.75 | 17.2 | 1×2.5 | 8.3 | 17.5 | - | 200.0 | 44.0 | 67.0 | - | 41.0 | 11.0 | 30.0 | - | - | 55.0 | 5.5×9.5×5.5 | - | - | - | M6 | 1.23×10-7 | 0.46 | 2.19 | 4810.0 |
| BNF2005V-5 | 20.0 | 5.0 | 20.75 | 17.2 | 2×2.5 | 15.1 | 35.0 | - | 380.0 | 44.0 | 67.0 | - | 56.0 | 11.0 | 45.0 | - | - | 55.0 | 5.5×9.5×5.5 | - | - | - | M6 | 1.23×10-7 | 0.6 | 2.19 | 4810.0 |
| BNF2010V-2.5 | 20.0 | 10.0 | 20.75 | 17.2 | 1×2.5 | 8.3 | 17.6 | - | 197.0 | 46.0 | 74.0 | - | 58.0 | 15.0 | 43.0 | - | - | 59.0 | 5.5×9.5×5.5 | - | - | - | M6 | 1.23×10-7 | 0.68 | 2.46 | 4810.0 |
| BNF2504V-2.5 | 25.0 | 4.0 | 25.5 | 22.8 | 1×2.5 | 5.2 | 13.7 | - | 210.0 | 46.0 | 69.0 | - | 36.0 | 11.0 | 25.0 | - | - | 57.0 | 5.5×9.5×5.5 | - | - | - | M6 | 3.01×10-7 | 0.21 | 3.6 | 3920.0 |
| BNF2504V-5 | 25.0 | 4.0 | 25.5 | 22.8 | 2×2.5 | 9.5 | 27.4 | - | 410.0 | 46.0 | 69.0 | - | 48.0 | 11.0 | 37.0 | - | - | 57.0 | 5.5×9.5×5.5 | - | - | - | M6 | 3.01×10-7 | 0.55 | 3.6 | 3920.0 |
| BNF2505V-2.5 | 25.0 | 5.0 | 25.75 | 22.2 | 1×2.5 | 9.2 | 21.9 | - | 240.0 | 50.0 | 73.0 | - | 40.0 | 11.0 | 29.0 | - | - | 61.0 | 5.5×9.5×5.5 | - | - | - | M6 | 3.01×10-7 | 0.52 | 3.52 | 3880.0 |
| BNF2505V-5 | 25.0 | 5.0 | 25.75 | 22.2 | 2×2.5 | 16.7 | 43.9 | - | 460.0 | 50.0 | 73.0 | - | 55.0 | 11.0 | 44.0 | - | - | 61.0 | 5.5×9.5×5.5 | - | - | - | M6 | 3.01×10-7 | 0.68 | 3.52 | 3880.0 |
| BNF2506V-2.5 | 25.0 | 6.0 | 26.0 | 21.4 | 1×2.5 | 12.4 | 27.4 | - | 250.0 | 53.0 | 76.0 | - | 44.0 | 11.0 | 33.0 | - | - | 64.0 | 5.5×9.5×5.5 | - | - | - | M6 | 3.01×10-7 | 0.61 | 3.43 | 3840.0 |
| BNF2506V-5 | 25.0 | 6.0 | 26.0 | 21.4 | 2×2.5 | 22.6 | 54.8 | - | 470.0 | 53.0 | 76.0 | - | 62.0 | 11.0 | 51.0 | - | - | 64.0 | 5.5×9.5×5.5 | - | - | - | M6 | 3.01×10-7 | 0.91 | 3.43 | 3840.0 |
| BNF2805V-2.5 | 28.0 | 5.0 | 28.75 | 25.2 | 1×2.5 | 9.7 | 24.6 | - | 250.0 | 55.0 | 85.0 | - | 44.0 | 12.0 | 32.0 | - | - | 69.0 | 6.6×11×6.5 | - | - | - | M6 | 4.74×10-7 | 1.02 | 4.45 | 3470.0 |
| BNF2805V-5 | 28.0 | 5.0 | 28.75 | 25.2 | 2×2.5 | 17.5 | 49.2 | - | 500.0 | 55.0 | 85.0 | - | 59.0 | 12.0 | 47.0 | - | - | 69.0 | 6.6×11×6.5 | - | - | - | M6 | 4.74×10-7 | 1.06 | 4.45 | 3470.0 |
| BNF2805V-7.5 | 28.0 | 5.0 | 28.75 | 25.2 | 3×2.5 | 24.8 | 73.8 | - | 740.0 | 55.0 | 85.0 | - | 74.0 | 12.0 | 62.0 | - | - | 69.0 | 6.6×11×6.5 | - | - | - | M6 | 4.74×10-7 | 1.16 | 4.45 | 3470.0 |
| BNF2806V-2.5 | 28.0 | 6.0 | 28.75 | 25.2 | 1×2.5 | 9.6 | 24.6 | - | 250.0 | 55.0 | 85.0 | - | 50.0 | 12.0 | 38.0 | - | - | 69.0 | 6.6×11×6.5 | - | - | - | M6 | 4.74×10-7 | 0.87 | 4.52 | 3470.0 |
| BNF2806V-5 | 28.0 | 6.0 | 28.75 | 25.2 | 2×2.5 | 17.5 | 49.2 | - | 500.0 | 55.0 | 85.0 | - | 68.0 | 12.0 | 56.0 | - | - | 69.0 | 6.6×11×6.5 | - | - | - | M6 | 4.74×10-7 | 1.09 | 4.52 | 3470.0 |
| BNF2806V-7.5 | 28.0 | 6.0 | 28.75 | 25.2 | 3×2.5 | 24.8 | 73.8 | - | 740.0 | 55.0 | 85.0 | - | 86.0 | 12.0 | 74.0 | - | - | 69.0 | 6.6×11×6.5 | - | - | - | M6 | 4.74×10-7 | 1.3 | 4.52 | 3470.0 |

